对夹式衬胶蝶阀

- 销售:021-32051999
- 销售:021-32050777
- 传真:021-66099555
详情介绍
- 产品介绍
- 服务承诺
- 订货流程
D71J对夹式衬胶蝶阀/D671J气动衬胶蝶阀/D971J电动衬胶蝶阀结构紧凑,90°回转开关轻松,密封可靠,使用寿命长,广泛用于水厂、电厂、钢厂、造纸、化工、饮食等系统供排水中,作为调节和截止使用。
对夹式衬胶蝶阀 产品特点
1、本阀采用双偏心结构,具有越关越紧的密封功能,密封性能可靠。
2、密封副材料选用不锈钢和丁腈耐油橡胶配对,使用寿命长。
3、橡胶密封圈即可位于阀体上,也可以位于蝶板上,可适用不同特点的介质,供用户选择。
4、蝶板采用框架结构,强度高,过流面积大,流阻小。
5、整体烤漆、能you效地防止锈蚀且只要更换密封阀座密封材料,就可使用于不同介质。
6、本阀具有双向密封功能,安装时不受介质流向的控制,也不受空间位置的影响,可在任何方向安装。
7、衬胶蝶阀结构Du特,操作灵活,省力,方便。
对夹式衬胶蝶阀 密封材料适用范围
密封圈材料代号 | 适用温度 | 适用介质 |
NR | ≤85℃ | 水、空气、酸碱类 |
CR | ≤85℃ | 水、煤气、酸碱类 |
NBR | ≤100℃ | 水、油品 |
EPDM | ≤120℃ | 水、蒸汽、一般酸碱类 |
FKM | ≤150℃ | 水、蒸汽、强酸碱类 |
对夹式衬胶蝶阀 主要零件材料
阀体 | 铸铁、球墨铸铁、碳钢、不锈钢 |
蝶板 | 铸铁、球墨铸铁、碳钢、不锈钢、碳钢完全包覆橡胶或氟塑料 |
阀杆 | 碳钢镀镍磷、不锈钢 |
阀座密封圈 | 天然胶NR、氯丁胶CR、丁腈胶NBR、三元乙丙胶EPDM、氟橡胶FKM |
蜗轮装置 | 组合件 |
测试
衬里层:电火花检测
试验与检验按GB/T13927标准
公称压力:PN(MPa)
阀体:PN×1.5
密封:PN×1.1
对夹式衬胶蝶阀 基本型号
手 | D71J 半衬 | 蜗 | D371J 半衬 |
D71J全衬里 | D371J全衬里 | ||
D71F4 全衬里 | D371F4 全衬里 | ||
D71F46 全衬里 | D371F46 全衬里 | ||
气 | D671J半衬 | 电 | D971J 半衬 |
D671J全衬里 | D971J全衬里 | ||
D671F4 全衬里 | D971F4 全衬里 | ||
D671F46 全衬里 | D971F46 全衬里 |
对夹式衬胶蝶阀 设计标准
设计与制造:GB12238
结构长度:GB12238
法兰连接尺寸:GB4216
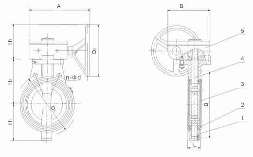
部件列表:1、阀体 2、阀座 3、蝶板 4、阀杆 5、蜗轮装置
对夹式衬胶蝶阀 主要外形尺寸
公称通径DN | 公称压力MPa | 工作压力MPa | L | D | D1 | n-Φd | H1 | H2 | Do | H3 | A | B | 质量 |
40 | 1.0 | 1.0 | 33 | 150 | 110 | 4-18 | 55 | 100 | 150 | 62 | 164 | 125 | 6 |
50 | 43 | 165 | 125 | 4-18 | 64 | 120 | 150 | 62 | 164 | 125 | 7 | ||
65 | 46 | 185 | 145 | 4-18 | 80 | 120 | 208 | 62 | 164 | 125 | 10 | ||
80 | 46 | 200 | 160 | 8-18 | 112 | 130 | 260 | 62 | 164 | 125 | 11 | ||
100 | 52 | 220 | 180 | 8-18 | 90 | 140 | 275 | 62 | 164 | 125 | 12 | ||
125 | 56 | 250 | 210 | 8-18 | 112 | 160 | 350 | 106 | 289 | 200 | 18 | ||
150 | 56 | 285 | 240 | 8-22 | 135 | 175 | 350 | 106 | 289 | 200 | 29 | ||
200 | 60 | 340 | 295 | 8-22 | 160 | 210 | 240 | 106 | 289 | 200 | 34.5 | ||
250 | 0.6 | 68 | 395 | 350 | 12-22 | 206 | 235 | 240 | 106 | 289 | 200 | 44 | |
300 | 78 | 445 | 400 | 12-22 | 232 | 273 | 320 | 112 | 370 | 253 | 64.5 | ||
350 | 78 | 505 | 450 | 16-22 | 263 | 310 | 320 | 112 | 370 | 253 | 75.5 | ||
400 | 102 | 565 | 515 | 16-26 | 295 | 340 | 400 | 270 | 562 | 280 | 156 | ||
450 | 114 | 615 | 565 | 20-26 | 327 | 370 | 400 | 270 | 562 | 280 | 171.5 | ||
500 | 127 | 670 | 620 | 20-26 | 358 | 399 | 400 | 270 | 562 | 280 | 206.5 | ||
550 | 0.4 | 140 | 730 | 675 | 20-30 | 384 | 430 | 400 | 270 | 562 | 280 | 215 | |
600 | 154 | 780 | 725 | 20-30 | 474 | 460 | 500 | 270 | 562 | 280 | 283 | ||
700 | 165 | 895 | 840 | 24-30 | 486 | 510 | 500 | 125 | 503 | 443 | 426 | ||
800 | 190 | 1015 | 950 | 24-33 | 591 | 672 | 500 | 200 | 513 | 531 | 550 | ||
900 | 203 | 1115 | 1050 | 28-33 | 500 | 200 | 513 | 531 | 1070 | ||||
1000 | 216 | 1230 | 1160 | 28-36 | 721 | 800 | 550 | 273 | 713 | 815 | 1296 |
良好的品质、优良的服务 奇高为你创造更多价值!
“奇高阀门”的期望,不断提升服务质量,精益求精,“真诚的服务”是“奇高”永恒的主题。“奇高”严格按照IS09001-2000 质量体系认证要求,质量严格把关, 责任到人,确保生产、销售、服务的健康运行。加强与用户沟通,竭诚为广大客户提供优良产品,贴心服务。特此我厂做出以下承诺:
产品标准:
产品严格按照中国GB、HG 标准和美国API等标准设计、制造、验收。密封面硬度达到国家规定要求,宽度超过国家标准。
售前服务:
产品介绍,技术交流,非标产品设计,疑难解答。
售中服务:
守信合同,及时供货,随时保持与客户联系。 对特殊或复制的产品,我厂安排技术人员对用户进行产品使用、故障排除
售后服务:
1、“奇高”牌产品品质期为自出厂起12个月,实行“三包”服务(包退、包换、保修)。
2、产品在使用中我厂定期组织技术、质检人员进行访问,征询用户对产品质量、 使用状况、改进意见等方面的反馈, 以便进一步提高产品质量。
3、对用户投诉质量问题,快速作出反应,售后服务人员在24-36小时(省外48小时)赶赴现场。
4、对售后服务,要求用户填写服务后的质量反馈信息表,并作出鉴定意见,以便提高奇高的服务质量。
1、客户如对产品有特殊要求,须在订货合同中提供以下说明:
a、结构长度;
b、连接形式;
c、公称直径、全通径、缩径、管道尺寸;
d、运行介质及温度、压力范围;
e、试验、检验标准及其他要求
2、本厂可根据客户特定要求配置各类驱动装置。
3、如由客户提供确定的阀门类型和型号时,客户应正确说明其型号的含义和要求,在供需双方理解一致的条件下签订合同。
4、期货、订货的客户请先来电函详细告诉所需的阀门型号、规格、数量以及交货时间、地点,并按总的30%预定金或全额货款及时汇入我厂帐户,其余货款待发货前汇入,以便及时安排发货。
订单流程:
1、客户采购清单传真至021-33872143,或来电咨询 021-33872141
2、收到客户采购清单,为客户提供阀门型号选型与报价(价格清单)。
3、具体商定:交货期、特殊要求等事宜。
订货须知:
1、客户如对产品有特殊要求,须在订货合同中提供以下说明:
|
|||||
|
|||||
2、本厂可根据客户特定要求配置各类驱动装置。
|
|||||
3、如由客户提供确定的阀门类型和型号时,客户应正确说明其型号的含义和要求,在供需双方理解一致的条件下签订合同。
|
|||||
4、期货、订货的客户请先来电函详细告诉所需的阀门型号、规格、数量以及交货时间、地点,并按总的30%预定金或全额货款及时汇入我厂账户, 其余货款待发货前汇入,以便及时安排发货。
|
售中服务:
守信合同,及时供货,随时保持与客户联系。
对特殊或复制的产品,我厂安排技术人员对用户进行产品使用、故障排除
售后服务:
1、“奇高”产品品质期为自出厂起12个月,实行“三包”服务(包退、包换、保修)。
2、产品在使用中我厂定期组织技术、质检人员进行访问,征询用户对产品质量、使用状况、改进意见等方面的反馈,
以便进一步提高产品质量。
3、对用户投诉质量问题,快速作出反应,售后服务人员在24-36小时(省外48小时)赶赴现场。
4、对售后服务,要求用户填写服务后的质量反馈信息表,并作出鉴定意见,以便提高“奇高”的服务质量。
声明 |
|